Home Triumph Repair

The Complete Official Triumph Spitfire MK III, MK IV and 1500:
1968, 1969, 1970, 1971,
1972, 1974, 1974

Comprising the official Driver's Handbook and Workshop Manual

by British Leyland Motors

Hardcover, 8 1/2 in. x 11 in.
480 pages
ISBN-13: 978-0-8376-1763-3
Price: $120.00

Orignally published in 1975, The Complete Official Triumph Spitfire MK III, MK IV and 1500: 1968-1974 was prepared in close cooperation with British Leyland Motors in order to provide complete, authentic maintenance and repair information. The Driver's Handbooks at the beginning of this manual are the handbooks that were provided with every new Triumph Spitfire MK III, MK IV and 1500. The Workshop Manual, making up the larger part of this book, is the official factory manual and was originally intended for use by dealer service departments. The publisher has incorporated additional factory procedures and specifications that have become available following the publication of the original factory information.

Includes:

  • Triumph Spitfire MK III Owner's Manual
  • Triumph Spitfire MK IV & 1500 Owner's Manual
  • Triumph Spitfire MK III, MK IV & 1500 Repair Manual

This manual contains emission control information that applies specifically to Triumph Spitfire MK III, MK IV and 1500 vehicles manufactured for the United Kingdom and North American markets, and an illustrated catalog of special tools. Including accurate and comprehensive service information for 1968 through 1974 Spitfire MK III, MK IV and 1500 vehicles, this manual is an indispensable resource for both the professional mechanic and the Spitfire MK III, MK IV and 1500 enthusiast.

This manual is an accurate and comprehensive set of service information for Triumph Spitfire MK III, MK IV and 1500 models sold in the UK and North America during the model years 1968-1974.

click to enlarge, and for longer caption if available
Carburetor dampers - single or twin, page 21
click to enlarge, and for longer caption if available
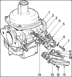
Carburetor as fitted to MK III Spitfire, page 413
Comp Off Tr Sp III IV 1500 68-74
Comp Off Tr Sp III IV 1500 68-74
BSIN: X123
ISBN: 978-0-8376-1763-3 (ISBN-10)
ISBN: 978-0-8376-1763-3 (ISBN-13)
Permalink: http://www.bentleypublishers.com/c/X123
Associated Vehicles

This product is related to the following vehicles: